18" 150LB Triple Offset Butterfly Valve Gear Operator API609
Key Specifications / Features
Model No.: Hits: 0
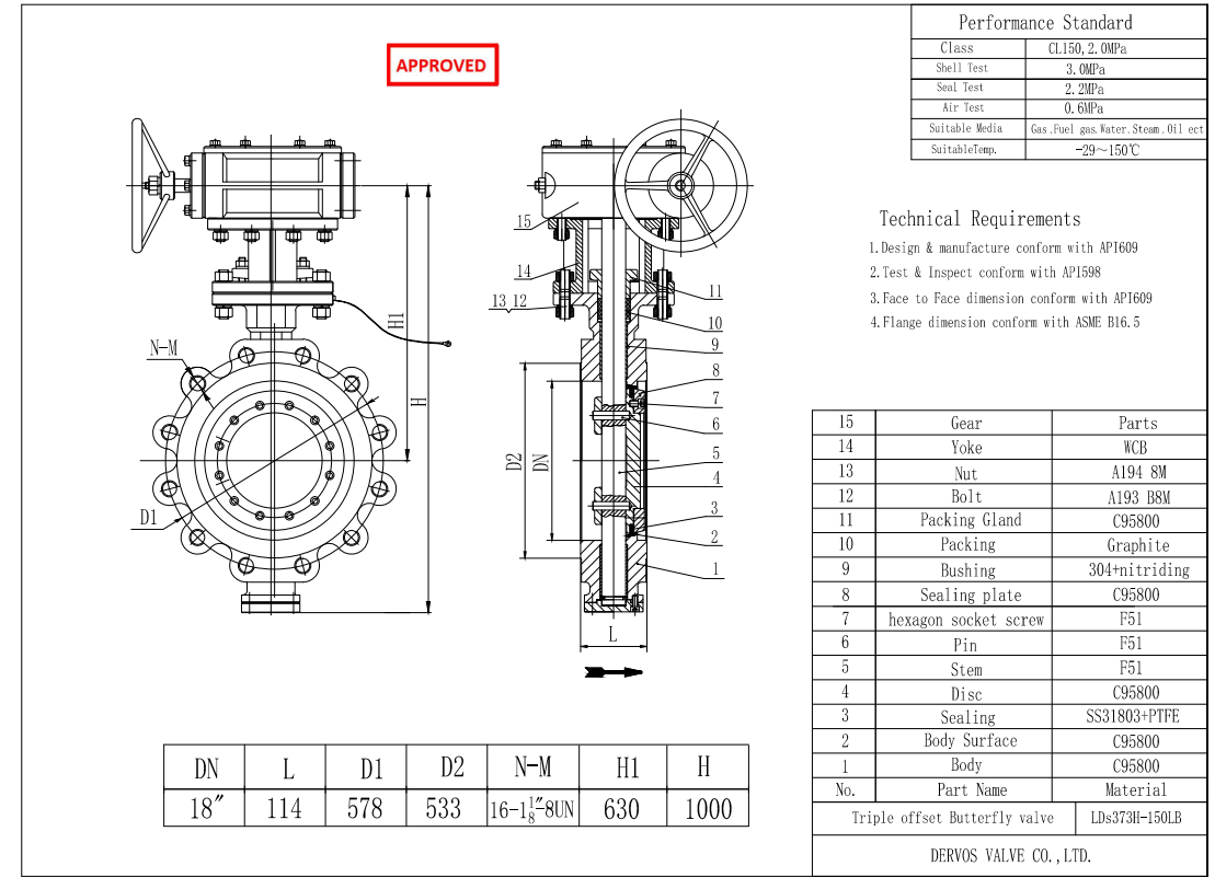
18" 150LB Triple Offset Butterfly Valve is made according to API609 standard. The valve body is made of C95800. It has the structural characteristics of Triple Eccentric. Its connection mode is Lug. And it has Gear Operator operation mode.
Request a quote
Detail Information
Product Parameters
| Type |
Triple Offset Butterfly Valve |
| Size |
18” |
| Pressure |
150LB |
| Connection |
Lug |
| Operation |
Gear Operator |
| Body Material |
C95800 |
| Design Norm |
API609 |
| Face to Face |
API609 |
| Flange dimension |
ASME B16.5 |
| Test & Inspection Code |
API598 |
| Temperature |
-29 ~ 150°C |
| Applicable Medium |
Water, Oil and Gas |
Features
1.Advanced Triple Offset Sealing Design: The triple offset butterfly valve ensures tight shut-off, minimal wear, and extended service life in demanding applications.
2.Heavy-Duty Gear Operator: Fitted with a reliable gear operator, this valve enables smooth and precise manual operation for large-size, Class 150 installations.
Technical Drawing
Dimension Checking
Pressure Testing
Nameplate & Packing
Inspection Report




Keywords of 18" 150LB Triple Offset Butterfly Valve Gear Operator API609
Comment Form
Similar Products