2” 150LB Dual Plate Wafer Check Valve A105 CF8M API594
Key Specifications / Features
Model No.: Hits: 0
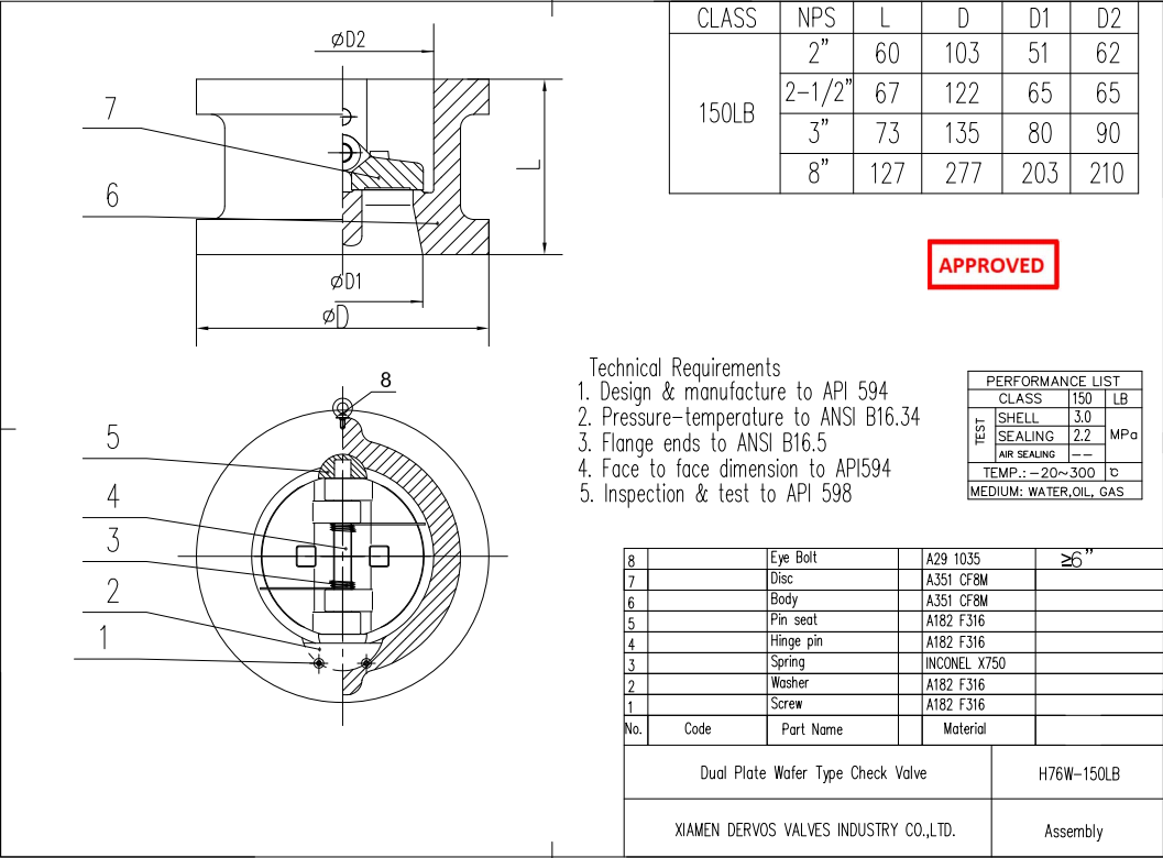
2” 150LB Dual Plate Wafer Check Valve is made according to API594 standard. The valve body is made of A351 CF8M. It has the structural characteristics of Dual Plate Wafer Type, In-line. Its connection mode is RF.
Request a quote
Detail Information
Product Description
| Type |
Dual Plate Wafer Check Valve |
| Size |
2” |
| Pressure |
150LB |
| Connection |
RF |
| Body Material |
A351 CF8M |
| Design Norm |
API 594 |
| Flange ends |
ANSI B16.5 |
| Face to Face |
API594 |
| Test & Inspection Code |
API 598 |
| Temperature |
-29 ~ 150°C |
| Applicable Medium |
Water, Oil and Gas |
Features
1.Forged from A105 carbon steel with CF8M components, providing durability and corrosion resistance for 150LB systems.
2.Dual plate wafer design meets API 594 standards, ensuring reliable backflow prevention in compact installations.
Technical Drawing
Dimension Checking
Pressure Testing
Painting
Nameplate & Packing
Inspection Report




Keywords of 2” 150LB Dual Plate Wafer Check Valve A105 CF8M API594
Comment Form
Similar Products