Model No.: Hits: 0
Next: Return to List
Previous: API 602 1 1/2”800LB Forged Steel Gate Valve SW LF2
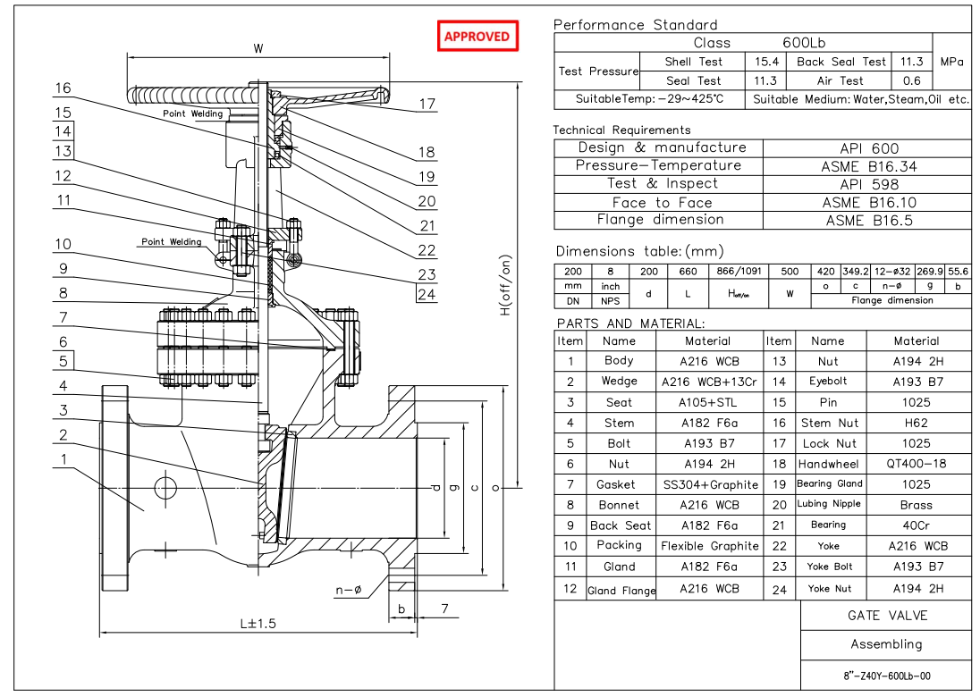
| Type | Gate Valve |
| Size | 8” |
| Pressure | 600LB |
| Connection | RF |
| Operation | Hand Wheel |
| Body Material | A216 WCB |
| Design Norm | API 600 |
| Face to face | ASME B16.10 |
| Flange dimension | ASME B16.5 |
| Test & Inspection Code | API 598 |
| Temperature | -29 ~ 425°C |
| Applicable Medium | Water, Oil and Steam |
