DN25 PN100 Forged Floating Ball Valve A182 F51 ISO17292 Plain Stem
Key Specifications / Features
Model No.: Hits: 0
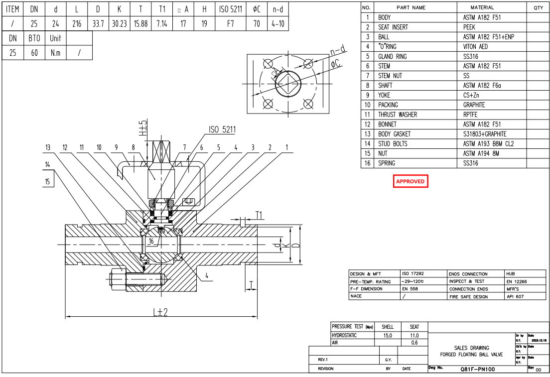
DN25 PN100 Forged Floating Ball Valve is made according to ISO17292 standard. The valve body is made of ASTM A182 F51. It has the structural characteristics of Two-Piece, Floating Ball, Full Bore. Its connection mode is Clamp.
Request a quote
Detail Information
Product Description
| Type |
Forged Floating Ball Valve |
| Size |
DN25 |
| Pressure |
PN100 |
| Connection |
Clamp |
| Body Material |
ASTM A182 F51 |
| Design Norm |
ISO17292 |
| Face to Face |
EN 558 |
| End Connection |
HUB |
| Test & Inspection Code |
EN 12266 |
| Temperature |
-29 ~ 120°C |
| Applicable Medium |
Water, Oil and Gas |
Features
1.Forged from A182 F51 stainless steel, offering excellent corrosion resistance and high-pressure durability.
2.Floating ball valve with plain stem design conforms to ISO 17292 for precise flow control and reliable sealing.
Technical Drawing
Dimension Checking
Pressure Testing
Nameplate & Packing
Inspection Report




Keywords of DN25 PN100 Forged Floating Ball Valve A182 F51 ISO17292 Plain Stem
Comment Form
Similar Products