4” 150LB Cast Steel Swing Check Valve WCB API6D RF
Key Specifications / Features
Model No.: Hits: 0
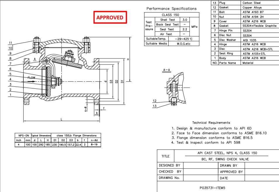
4” 150LB Cast Steel Swing Check Valve is made according to API6D standard. The valve body is made of ASTM A216 WCB. It has the structural characteristics of Bonnet, Swing Type, External Pin. Its connection mode is RF.
Request a quote
Detail Information
Product Description
| Type |
Cast Steel Swing Check Valve |
| Size |
4” |
| Pressure |
150LB |
| Connection |
RF |
| Body Material |
ASTM A216 WCB |
| Design Norm |
API 6D |
| Face to Face |
ASME B16.10 |
| Flange dimension |
ASME B16.5 |
| Test & Inspection Code |
API 598 |
| Temperature |
-29 ~ 425°C |
| Applicable Medium |
Water, Oil and Gas |
Features
1. Made from WCB cast steel, providing strength and durability for 150LB pressure systems.
2. Swing check design with RF ends ensures smooth flow and prevents backflow efficiently.
Technical Drawing
Dimension Checking
Pressure Testing
Spectrum

Keywords of 4” 150LB Cast Steel Swing Check Valve WCB API6D RF
Comment Form
Similar Products