DN150 PN40 Swing Check Valve 1.0619 EN14341 EN1092-1 B
Key Specifications / Features
Model No.: Hits: 0
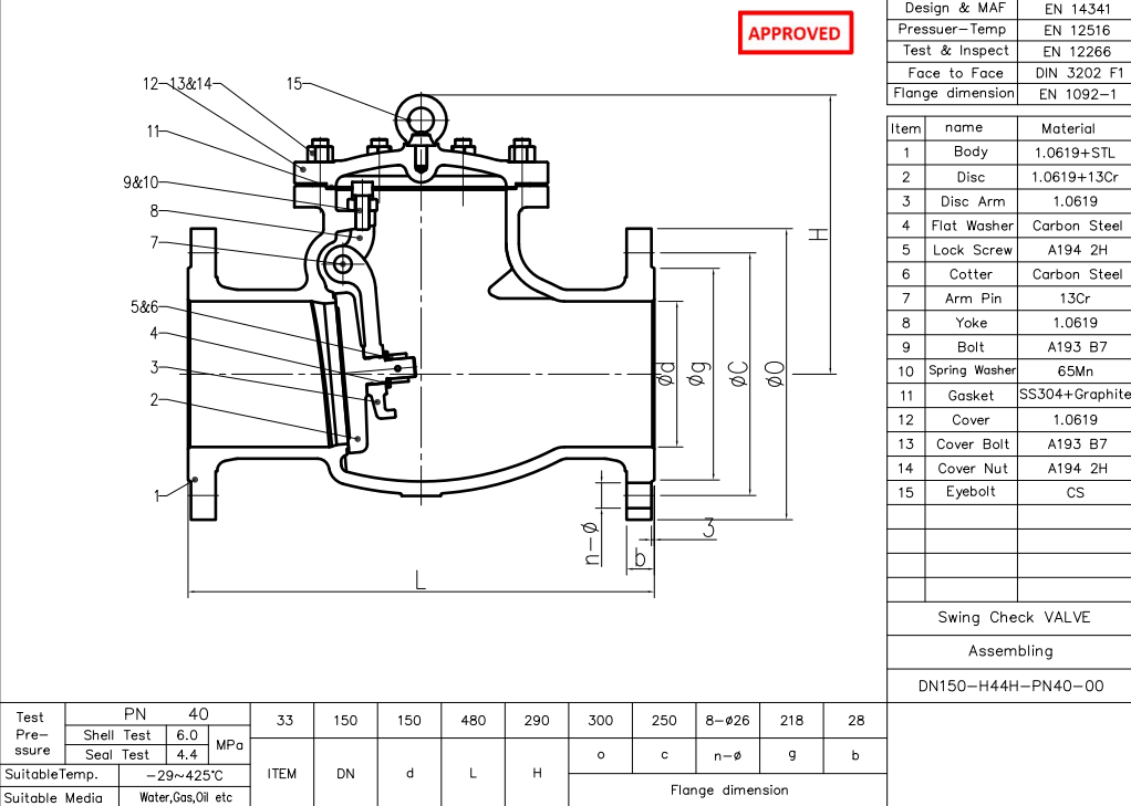
DN150 PN40 Swing Check Valve is made according to EN14341 standard. The valve body is made of 1.0619+STL. It has the structural characteristics of Swing. Its connection mode is EN1092-1 B.
Request a quote
Detail Information
Product Description
| Type |
Swing Check Valve |
| Size |
DN150 |
| Pressure |
PN40 |
| Connection |
EN1092-1 B |
| Body Material |
1.0619+STL |
| Design Norm |
EN14341 |
| Face to Face |
DIN 3202 F1 |
| Flange dimension |
EN 1092-1 |
| Pressure-temperature |
EN 12516 |
| Test & Inspection Code |
EN 12266 |
| Temperature |
-29 ~ 425°C |
| Applicable Medium |
Water, Oil and Gas |
Features
1. Made of 1.0619 cast steel, ensuring durability and resistance to high-pressure applications.
2. Swing type design with EN1092-1 B flange connection provides reliable backflow prevention and easy installation.
Technical Drawing
Dimension Checking
Pressure Testing
Painting
Nameplate & Packing
Inspection Report




Keywords of DN150 PN40 Swing Check Valve 1.0619 EN14341 EN1092-1 B
Comment Form
Similar Products