Three Eccentric Butterfly Valve 6" 150LB WCB API609
Key Specifications / Features
Model No.: Hits: 0
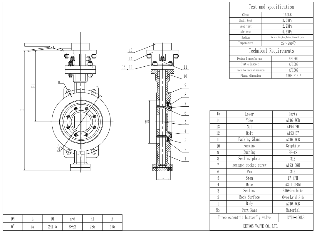
6" 150LB Butterfly Valve is made according to API609 standard. The valve body is made of WCB. It has the structural characteristics of Triple Offset. Its connection mode is Wafer. And it has handle operation mode.
Request a quote
Detail Information
Product Parameters
| Type |
Three Eccentric Butterfly Valve |
| Size |
6” |
| Pressure |
1500LB |
| Connection |
Wafer |
| Operation |
Handle |
| Body Material |
A216 WCB |
| Design Norm |
API 609 |
| Face to face |
API 609 |
| Flange dimension |
ASME B16.5 |
| Test & Inspection Code |
API598 |
| Temperature |
-29 ~ 280°C |
| Applicable Medium |
Natural Gas,Gas,Water,Steam, 0il,etc |
Features
1.WCB cast steel body provides robust strength and suitability for 150LB industrial pressure applications.
2.Triple eccentric (three-offset) design minimizes seat friction, enabling bubble-tight sealing and extended service life.
Technical Drawing
Dimension Checking
Pressure Testing
Painting
Nameplate & Packing
Inspection Report

Keywords of Three Eccentric Butterfly Valve 6" 150LB WCB API609
Comment Form
Similar Products