4" 150LB Cast Steel Swing Check Valve WCB API 6D
Key Specifications / Features
Model No.: Hits: 0
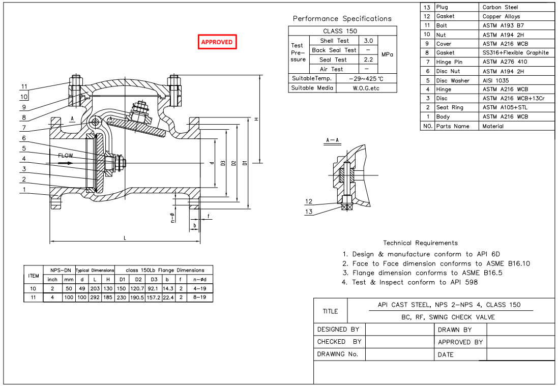
4" 150LB Cast Steel Swing Check Valve is made according to API 6D standard. The valve body is made of ASTM A216 WCB. Its connection mode is RF.
Request a quote
Detail Information
Product Description
| Type |
Cast Steel Swing Check Valve |
| Size |
4" |
| Pressure |
150LB |
| Connection |
RF |
| Body Material |
ASTM A216 WCB |
| Design Norm |
API 6D |
| Face to Face |
ASME B16.10 |
| Flange dimension |
ASME B16.5 |
| Test & Inspection Code |
API 598 |
| Temperature |
-29 ~ 425°C |
| Applicable Medium |
Water, Oil and Gas |
Features
1.Made from WCB cast steel, offering strong durability and stable performance for 150LB pressure systems.
2.Swing check design compliant with API 6D ensures smooth flow and reliable backflow prevention in pipeline applications.
Technical Drawing
Dimension Checking
Pressure Testing
Nameplate & Packing
Inspection Report




Keywords of 4" 150LB Cast Steel Swing Check Valve WCB API 6D
Comment Form
Similar Products