6” 600LB Cast Steel Swing Check Valve WCB API 6D RF
Key Specifications / Features
Model No.: Hits: 0
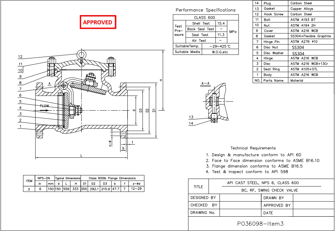
6”600LB Cast Steel Gate Valve is made according to API 6D standard. The valve body is made of A216 WCB. It has the structural characteristics of Swing Check Valve with External Pin. Its connection mode is RF.
Request a quote
Detail Information
Product Description
| Type |
Cast Steel Gate Valve |
| Size |
6” |
| Pressure |
600LB |
| Connection |
RF |
| Body Material |
A216 WCB |
| Design Norm |
API 6D |
| Face to Face |
ASME B16.10 |
| Flange dimension |
ASME B16.5 |
| Test & Inspection Code |
API 598 |
| Temperature |
-29 ~ 425°C |
| Applicable Medium |
Water, Oil and Gas |
Features
1. Constructed from WCB cast steel, offering high strength and excellent pressure resistance.
2. API 6D compliant swing check design provides reliable backflow prevention and smooth fluid flow.
Technical Drawing
Dimension Checking
Pressure Testing
Nameplate & Packing
Inspection Report




Keywords of 6” 600LB Cast Steel Swing Check Valve WCB API 6D RF
Comment Form
Similar Products